| محل منبع: | چین |
| نام تجاری: | OEM |
| گواهی: | CE;ISO |
| مقدار حداقل تعداد سفارش: | قابل توافق |
|---|---|
| قیمت: | Negotiable |
| جزئیات بسته بندی: | بسته بندی صادرات Stardard توسط کارتن |
| زمان تحویل: | 5-10 روز |
| شرایط پرداخت: | L / C ، T / T ، Western Union |
| قابلیت ارائه: | 20،000 PCS در هر ماه |
| نام محصول: | سنسور فشار | دامنه فشار: | 0 ~ 100 / 700kPa |
|---|---|---|---|
| منبع تغذیه: | 5V یا 3.3V | سیگنال خروجی: | 0.5-4.5V (یا 0.2-2.7 یا سفارشی) |
| دقت: | 1٪ | نوع فشار: | مطلق |
| رسانه های اندازه گیری شده: | گاز هوا یا مایع | زمان جبران شده: | 0-60'C |
| دمای ذخیره سازی: | -40 ~ 150'C | فشار بیش از حد: | 2X |
| برجسته: | 5V atmospheric pressure transmitter,Amplified atmospheric pressure transducer,700kPa sensor atmospheric pressure |
||
ویژگی
کاربرد
برای زمینه الکترونیک خودرو مانند فشار سنج تایر ، ماشین pump.etc ،.
برای فشارسنج ، ارتفاع سنج ، اندازه گیری فشار خلاء.etc.
برای فشار سنج یا کنترل فشار و غیره
پارامتر عملکرد
مگر در مواردی که مشخص شده باشد ، اندازه گیری هایی با ولتاژ تأمین 5 Vdc در دمای 1 25 25 ℃ و رطوبت از 85 ~ 25 انجام شد.
| مورد | داده ها | واحد |
| منبع تغذیه | 5 یا 3.3 | V |
| دامنه فشار | 0 ~ 100/350/700 | KPA |
| سیگنال خروجی | 0.5-4.5 (یا به صورت دلخواه) | V |
| دقت | ± 1.0 | ٪طول |
|
صفر Temp |
3 0.03 | ٪ FS / |
|
Span Temp.Cfffficient |
3 0.03 | ٪ FS / |
| پایداری بلند مدت (1 سال) | 0.5 | ٪طول |
| فشار بیش از حد | 2X (00500kPa) | امتحان شد |
| زمان جبران خسارت. | 0 ~ 60/32 ~ 140 | ℃ / ℉ |
| درجه حرارت محیط. | -10 ~ 85/14 ~ 185 | ℃ / ℉ |
| دمای ذخیره سازی | -40 ~ 150 / -40 ~ 302 | ℃ / ℉ |
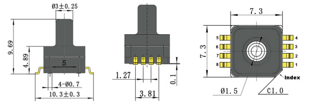
ابعاد و اتصال الکتریکی (واحد: میلی متر / اینچ)

تعریف PIN
|
1 |
3 |
7 |
2،4،5،6،8 |
|
خروجی |
قدرت + |
GND |
N / C |
توجه داشته باشید:
پین های 1 ، N / C باید شناور باقی بمانند
2 ، لحیم کاری پین های سرب: 250 درجه سانتیگراد برای حداکثر 5 ثانیه.
3 ، لطفاً خازن 0.1uf را بین VDD و GND اضافه کنید.
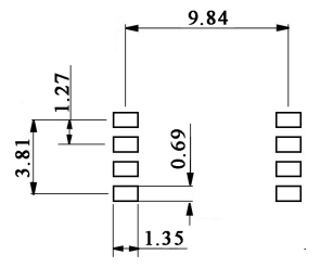
ردپای توصیه شده

طرح ردپای فوق از رابط اتصال لحیم کاری مناسب بین برد رایانه شخصی و پین های حسگر هنگام پردازش توسط لحیم کاری یا لحیم کاری دستی اطمینان می دهد.
یادداشت
1. اجرای حفاظت از ESD در حین لحیم کاری و مونتاژ.
2. ولتاژ اضافه بار (6.5Vdc) یا جریان (5mA) ممکن است ASIC را سوزاند.
3. رسانه باید با قطعات تحت فشار سازگار باشد.
4. لطفا برای درخواست ویژه در مورد پارامتر و برنامه با ما تماس بگیرید